皇冠·app官网首页

皇冠·app官网首页 行业资讯 政策法规 产业市场 节能技术 能源信息 宏观环境 会议会展 活动图库 资料下载 焦点专题 智囊团 企业库
节能技术  中国节能产业网 >> 节能技术 >> 节能案例 >> 正文
变换气制碱及其清洗新工艺技术
来源:中国节能产业网 时间:2015-5-25 15:50:53 用手机浏览

一、技术名称:变换气制碱及其清洗新工艺技术

二、技术所属领域及适用范围:化工行业联合法制碱企业

三、与该技术相关的能耗及碳排放现状

目前联碱法生产纯碱的生产企业30家,总产量已超过1千万吨,其中采用变换气制碱技术的企业12家,总产量达240万吨。与目前的浓气联合制碱技术比较,变换气制碱技术单位产品节能25kg标煤。按照上述浓气制碱产量,比采用变换气制碱法全国年耗能额外消耗21.5万吨标煤。目前该技术可实现节能量5万tce/a,CO2减排约13万t/a。

四、技术内容

1.技术原理

变换气制碱技术将合成氨生产中的变换气直接送入联碱碳化塔,在脱除变换气中二氧化碳的同时,又生成碳酸氢钠。这是我国继侯德榜发明联合制碱法后又一次在世界上首创新的纯碱生产工艺。变换气制碱将纯碱生产与合成氨生产进一步联合起来,纯碱的碳化工序同时又是合成氨的脱碳工序,它省掉了合成氨生产中的脱碳工序、联碱生产的CO2压缩工序,同时还节省了合成氨脱CO2溶液再生需要消耗的能量,节能效果和经济效益均十分显著。

变换气制碱清洗新工艺采用对NaHCO3不饱和的母液和部分出塔尾气加压后进清洗作业的碳化塔以增大塔内物料的搅动、加快塔内溶疤速度的清洗方法,实现了碳化塔和外冷器同时清洗,不但避免了洗水排放造成污染,而且使碱疤溶入母液、回到生产系统中,减少了物料损失,降低了消耗。

2.关键技术

低温变换气制碱技术;变换气制碱清洗流程;高效外冷碳化塔。

3.工艺流程

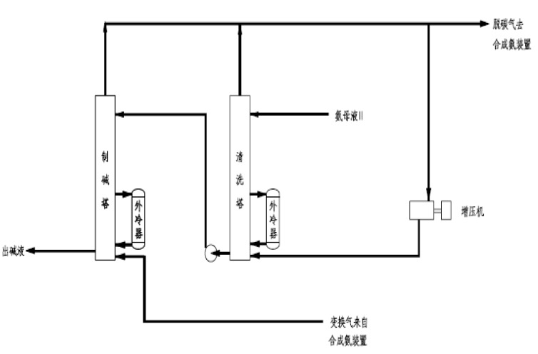
联碱生产过程中的氨母液II经泵送入碳化塔(清洗),在清洗碳化塔内,以增压后的碳化尾气为清洗介质进行搅动,热氨母液Ⅱ自上而下流经塔内,溶解碱疤并吸收从塔底而上气体中的CO2(称清洗或预碳酸化过程),然后从碳化塔(清洗)底部取出,称碳氨母液II,再经泵将其送至各碳化塔(制碱)顶部,与塔底通入来自合成氨装置的变换气逆流接触吸收其中的二氧化碳,生成碳酸氢钠的悬浮液,出碱液靠液位差自压出碱槽后进行固液分离。

碳化塔反应热和结晶热通过母液自然循环至各外冷器利用冷却水将热量移出。

制碱塔尾气和清洗塔尾气合并进入碳化尾气洗涤塔,用软水进一步洗涤净化尾气中的NH3和CO2,净氨后的碳化尾气(称脱碳气)符合合成氨系统的原料气含微量CO2和NH3的要求,返回合成氨装置,其中部分碳化尾气进入增压机,加压后送至碳化清洗塔作为清洗气用。工艺流程如图1所示。

图1  工艺流程图


五、主要技术指标

出碳化塔尾气CO2<0.2%vol;碳化塔系统压降0.32-0.35MPa;碳化塔进出母液CNH3增量42 tt -50tt;结晶平均粒径>120μm;碳化塔作业周期一年。

六、技术鉴定、获奖情况及应用现状

1999年通过国家石油和化学工业局技术鉴定;高效自然循环外冷式碳化塔取得实用新型专利,2000年和2007年分别取得2项发明专利证书,至今采用本技术的制碱已经有200万t以上产能业绩,技术成熟可靠。

与目前的浓气联合制碱技术比较,变换气制碱较浓气制碱技术单位产品节电约75kWh,折算单位产品节能25kgce。比采用变换气制碱法全国年耗能额外消耗21.5万tce。按照电力CO2的排放系数0.697kg / kWh计,每年额外排放CO2的量约45t吨。

七、典型应用案例

应用单位:江苏华昌化工股份有限公司联碱项目

技术提供单位:中国成达化学工业公司

节能改造情况:江苏华昌化工股份有限公司20万吨/年联碱项目,建设周期约一年,主要是取消了原有流程中的角阀,既节省设备投资,又免除了角阀的日常操作和维修工作量,同时也排除了因此项维修对生产的影响;改变了碳化塔清洗方式:由只是定时轮洗外冷器、定期煮洗碳化塔,改为同时定时轮洗整个碳化塔组(碳化塔与附属的外冷器同时轮洗)。

节能效果:由于碳化塔不再定期停塔煮洗,多台塔组的装置实现了真正的全年连续运行,提高了装置的有效生产率,年节约标准煤5000吨。

经济效益:(1)外冷碳化塔系统工艺清洗液零排放(2)煮塔洗水零补充(3)根治联碱废水排放,真正实现废水零排放(4)以20万吨/年联碱生产规模为例,运行费用节约-1100万元/年;设备投资费节省约934万元;占地面积节省560m2。

八、推广前景及节能减排潜力

预计未来5年,该技术在行业内的推广比例可达到35%,总投入20亿元,节能能力9万tce/a,减排能力23tCO2/a。


分享到:
皇冠·app官网首页相关的文章 iTAG:
没有相关技术
频道推荐
服务中心
微信公众号

CESI
关于本站
版权声明
广告投放
网站帮助
联系我们
网站服务
会员服务
最新项目
资金服务
园区招商
展会合作
中国节能产业网是以互联网+节能为核心构建的线上线下相结合的一站式节能服务平台。
©2007-2016 CHINA-ESI.COM
鄂ICP备16002099号
节能QQ群:39847109
顶部微信二维码底部
扫描二维码关注官方公众微信